Three leaf Roots blower
Clover blower
Features
1, forced air flow that changes, the flow change is small, the user can, as needed, in the rated boost range to adjust the outlet pressure.
2, the cylinder without lubrication, so the transmission medium does not contain oil.
3, three leaf fan air pulse is small, sealed, so low noise, leak less, high efficiency, smooth operation.
The main purpose
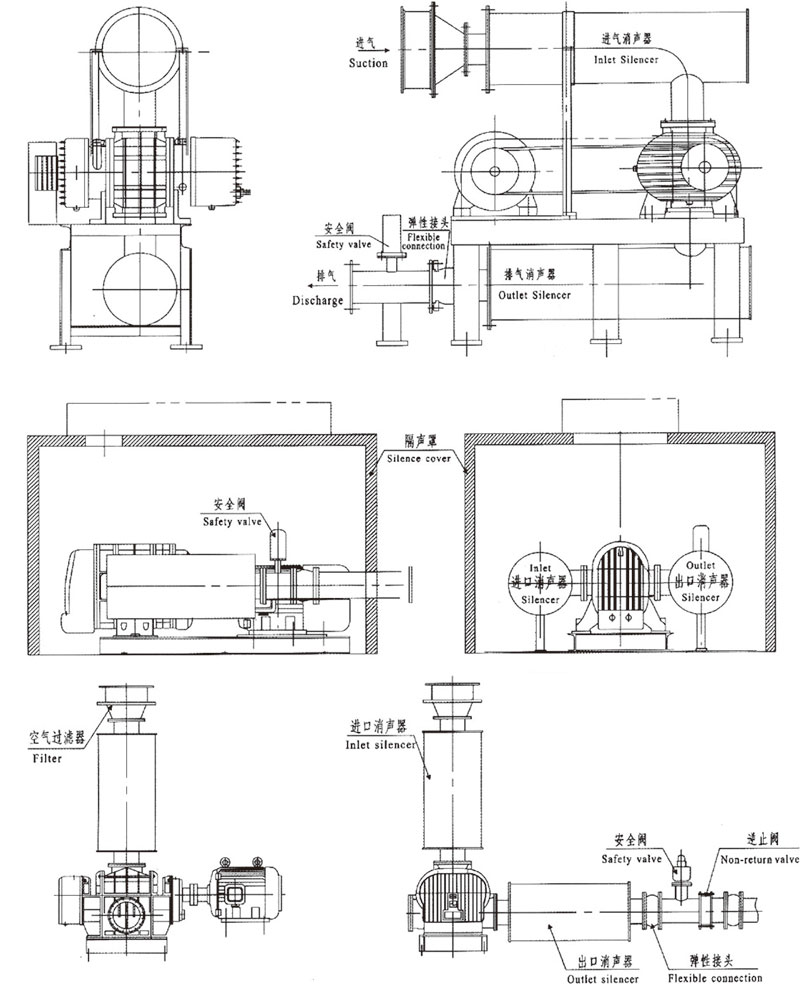
Widely used in sewage treatment, marine aquaculture, electricity, petroleum, chemical, metallurgy, cement, textile, food and other pneumatic conveying industry.
Requirements
1, the delivery medium of the inlet temperature shall not exceed 40 ℃.
2, the medium particles content shall not exceed 100mg / m3, the maximum size of impurities shall not exceed half of the minimum gap of the impeller.
3, the use of booster shall not exceed the blower brand name calibration boost value.
Model description and specification performance
1, product model description
Features
1, forced air flow that changes, the flow change is small, the user can, as needed, in the rated boost range to adjust the outlet pressure.
2, the cylinder without lubrication, so the transmission medium does not contain oil.
3, three leaf fan air pulse is small, sealed, so low noise, leak less, high efficiency, smooth operation.
The main purpose
Widely used in sewage treatment, marine aquaculture, electricity, petroleum, chemical, metallurgy, cement, textile, food and other pneumatic conveying industry.
Requirements
1, the delivery medium of the inlet temperature shall not exceed 40 ℃.
2, the medium particles content shall not exceed 100mg / m3, the maximum size of impurities shall not exceed half of the minimum gap of the impeller.
3, the use of booster shall not exceed the blower brand name calibration boost value.
Model description and specification performance
1, product model description

2, specifications and performance
Conveying medium: air and other neutral gases
Intake air temperature: 20 ℃
Intake flow: 1.6 to 66.8 m3 / min
Intake pressure: 101.3kPa
Relative humidity: 50%
Fan boost: 9.8-98kPa
When the delivery medium or the use of conditions and the above standard changes, please specify when ordering.
Conveying medium: air and other neutral gases
Intake air temperature: 20 ℃
Intake flow: 1.6 to 66.8 m3 / min
Intake pressure: 101.3kPa
Relative humidity: 50%
Fan boost: 9.8-98kPa
When the delivery medium or the use of conditions and the above standard changes, please specify when ordering.



















